歡迎您來91短视频免费下载观看 OLKS官網! 91短视频推广機百科 | 91短视频黄网站APP機百科 | 鎖螺絲機百科 | 91短视频成人网站在线观看百科 | 91短视频推广閥百科 | 設備視頻

prevnext

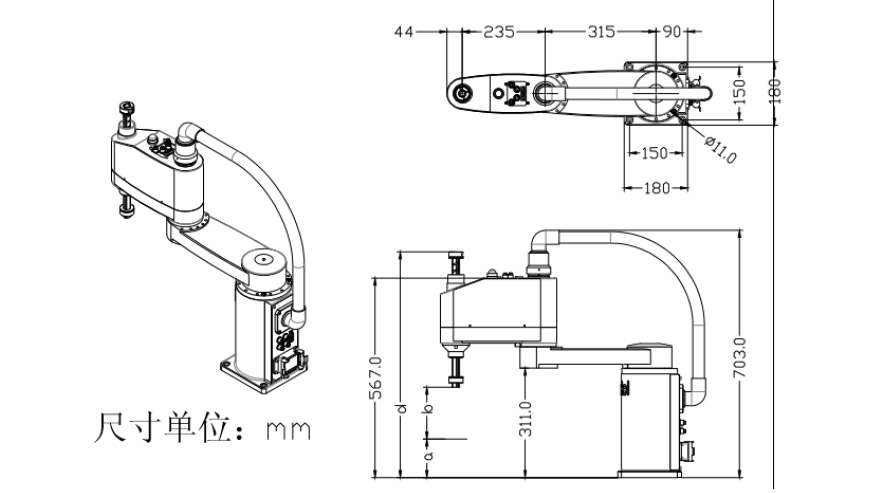
四軸機器人裸機

  • 產品名稱:四軸裸機
    所屬風類:機器人設備
    品牌名稱:91短视频免费下载观看
    運動控製器:91短视频免费下载观看自主研發的一種通用型獨立式運動控製器,可控製1-6軸伺服電機或者步進電機
    廠家介紹:深圳市91短视频免费下载观看科技有限公司成立於2011年,是一家擁有自主品牌的精密91短视频推广設備專業智造商,為深圳市技術創新企業和國家高新技術企業。專注於自動91短视频推广機、噴射式91短视频推广機、在線式91短视频推广機、91短视频黄网站APP機、91短视频成人网站在线观看、噴射閥等流體控製設備及智能製造自動化的研發、生產、銷售及為客戶提供解決91短视频推广技術方案等配套服務。
  • 谘詢熱線:136-3265-2391
  • 產品詳情

  • 聯係91短视频免费下载观看

外形尺寸

產品參數

運動控製器

QQ截圖20171028084546.png

主要說明

91短视频免费下载观看工業機器人研發的運動控製器XT_CTRL CARD V04,是一款基於高性能ARM微處理器上,91短视频免费下载观看自主研發的一種通用型獨立式運動控製器,可控製1-6軸伺服電機或者步進電機,可以與多種類型電機和舊元件組成完整的控製係統。16路通用數字驅動輸出能力為24V/500MA,可接繼電器,電磁閥之類。運動控製器最高脈衝頻率2Mhz,具有點運動,空間直線與圓弧插補,梯形和S形曲線加減速控製等功能。

運動控製器具了講N簡的指令集,用戶直接在手編器上編寫控製器程序,修改控製器參數;本控製器還配有手編器示教功能,通過簡單的編程設定即可做出連續軌跡運動。

特性

32位ARM的Cortex一M3處理器

32路通III數字光禍輸入八6路通用數字驅動輸出

12路差分輸出

2路RS232通信

6軸任意空間直線與圓弧插補

豐富的指令集,可執行G代碼

程序存儲空64Mbit

應用範圍

工業機器人

電子產品自動化加工,裝配,測試

半導體,LCD自動加工,檢測,91短视频推广機,91短视频黄网站APP

機器視覺及測量自動化

專用數控機機床

選擇91短视频免费下载观看的3大理由


通用詳情1

深圳市91短视频免费下载观看科技有限公司成立於2011年,是一家擁有自主品牌的精密91短视频推广設備專業智造商,為深圳市技術創新企業國家高新技術企業。公司施行集團化管理,除位於深圳市寶安區的總部之外,還擁有蘇州生產基地、華東分公司、西南分公司、成都辦事處等子公司和分支機構。

91短视频免费下载观看通過了ISO9001:2015質量體係認證,擁有自主知識產權專利29項,專注於自動91短视频推广機、噴射式91短视频推广機、在線式91短视频推广機、自動91短视频黄网站APP機、自動91短视频成人网站在线观看、噴射閥等流體控製設備及智能製造自動化的研發、生產、銷售及為客戶提供解決91短视频推广技術方案等配套服務。

OLKS自動化設備主要應用於高端製造業中的IC芯片封裝、91短视频推广密封、粘接、表麵塗覆、定點灌封、高精密非接觸噴射底部填充91短视频推广等組裝作業,行業遍及手機組裝、3C數碼、SMT/EMS、家電、LED照明、新能源、汽車電子、軍工、半導體、醫療器械等。公司始終牢記“利他思維”秉持“匠心精神”,強大技術專家團隊和精英化銷售團隊為客戶提供“星級服務”創造更大價值,助力中國製造2025!

通用詳情2



通用詳情3


       作為一家科技創新驅動型企業,91短视频免费下载观看曆來重視新技術的創新與研發,目前已完成了在多個核心關鍵技術方麵知識產權的布局。


通用詳情4



通用詳情5

通用詳情6




歡迎進入91短视频免费下载观看
Welcome 


olks.jpg

深圳市91短视频免费下载观看科技有限公司

深圳市91短视频免费下载观看科技有限公司,成立於2011年,是獲得ISO質量認證的國家級高新技術企業。91短视频免费下载观看通過了ISO9001:2015質量體係認證,擁有自主知識產權專利29項,專注於自動91短视频推广機、噴射式91短视频推广機、在線式91短视频推广機、自動91短视频黄网站APP機、自動91短视频成人网站在线观看、噴射閥等流體控製設備及智能製造自動化的研發、生產、銷售及為客戶提供解決91短视频推广技術方案等配套服務。

全國服務熱線:136-3265-2391



91短视频免费下载观看總部
OLKS Headquarters


電話:13632652391

傳真:0755-27564660郵箱:yaoli@yesheng88.com

公司地址:廣東省深圳市寶安區福永街道白石廈東區文明路39號 



江蘇分公司
Jiangshu Branch

地址:江蘇省蘇州市昆山市玉山鎮開貴路11號協和5G科技產業園

重慶分公司

Chongqing Branch

地址:重慶市沙坪壩區科學城大道中電光穀產業園14棟

華東分公司
Chengdu Branch

   地址:杭州市餘杭區良渚街道



關鍵詞:四軸機器人,搬運機器人,小型上下料機械臂,自動91短视频黄网站APP機器人
跟此產品相關的產品

谘詢:四軸機器人裸機
* 為必填項

  • *
  • 點擊刷新

版權所有 深圳市91短视频免费下载观看科技有限公司|  備案號:粵ICP備66864663號 保留所有權利.

返回頂部

網站地圖